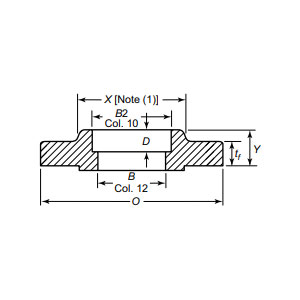
Soket Kaynak Flanşı, kompakt, yüksek riskli uygulamalarda eşsiz performans sunmak üzere tasarlanmış, üstün gücü kesintisiz akışkan dinamiğiyle birleştirerek yüksek basınçlı boru hattı bağlantılarını yeniden tanımlıyor. Küçük çaplı borular için tasarlanan bu flanş, kaynak bağlantısını flanşın içinde kapsülleyen, dış kaynak çıkıntılarını ortadan kaldıran ve akış direncini en aza indiren bir soket kaynak konfigürasyonu kullanır; bu, türbülansın azaltılmasının ve hijyenin çok önemli olduğu sistemlerde kritik bir avantajdır. Gizli kaynak, yalnızca ilaç veya gıda işleme tesisleri gibi steril ortamlarda temizlik ve denetimi kolaylaştırmakla kalmaz, aynı zamanda petrol ve gaz rafinerilerinde, kimyasal reaktörlerde veya yüksek basınçlı buhar hatlarında titreşime ve basınç dalgalanmalarına direnerek yapısal bütünlüğü de geliştirir. Dövme karbon çeliği veya paslanmaz çelikten hassas bir şekilde işlenmiş olup, korozyon direncini olağanüstü çekme mukavemetiyle birleştirerek aşırı sıcaklık ve basınçlarda bile sızdırmaz sızdırmazlık sağlar.
| Çap aralığı | DN15(1/2")-DN150(6") |
| Basınç derecesi | 1.6-16 MPa |
| Sertifika | PED, AD2000, EAC, ABS, BV, DNV, NORSOK M650, ISO9001, ISO14001, ISO45001, vb. |
| Fonksiyon tanıtımı | Soket kaynak bağlantısı, Gizli kaynak tasarımı akış direncini azaltır, Küçük çaplı, yüksek basınçlı uygulamalar için optimize edilmiştir, Üstün sızdırmazlık performansı |
| Uygulama alanları | Karmaşık çalışma koşullarına uyarlanmış, uzun mesafeli petrol ve gaz boru hatları, açık deniz platformları, kimyasal ekipmanlar, su arıtma sistemleri ve gıda ve ilaç endüstrilerindeki boru flanşı bağlantılarına uygulanabilir. |
| Ambalaj | Denize uygun paket, Kontrplak Kutular veya palet veya müşterilerin ihtiyacına göre |
| Öne Çıkan Ürünler | 1、 Küçük parti minimum sipariş; |
Kompakt tasarımı dar alanlarda kurulumu kolaylaştırırken, sağlam bağlantısı döngüsel termal genleşmeye karşı dayanıklıdır ve bu da onu açık deniz platformları, enerji üretim türbinleri ve hidrolik sistemler için ideal kılar. Bu flanş, potansiyel zayıf noktaları ortadan kaldırarak ve bakım döngülerini azaltarak, endüstrilerin verimlilikten ödün vermeden güvenliğe öncelik vermelerini sağlar. ASME B16.5 standartlarına uygunluk ve sıkı tahribatsız testlerle desteklenen bu ürün, kritik görev operasyonlarında güvenilirliği garanti eder. Dayanıklılığı sıvı optimizasyonuyla birleştiren kompakt, yüksek basınçlı bir çözüm arayan mühendisler için Soket Kaynak Flanşı en iyi seçimdir. Yeniliklerin dayanıklılıkla buluştuğu, sistemlerinizin hassas, güvenli ve sarsılmaz bir özgüvenle performans göstermesine olanak tanıyan hassas mühendislik ürünü flanşlarımızla altyapınızı bugün yükseltin. Mükemmelliği seçin, dayanıklılığı seçin ve üretim hattınızın potansiyelini dönüştürün.
Hammaddeden son teslimata kadar dayanıklılık, performans ve tutarlılığı sağlamak için her aşamada sıkı kontrol sağlıyoruz.
01
02
03
04
05
06
07
08
09
10
11
12
