Bindirmeli Bağlantı Flanşı, düşük basınçlı uygulamalarda sorunsuz sökme işlemine olanak tanırken termal genleşme ve büzülme gerilimlerini yönetmek için dinamik bir çözüm sunarak boru sistemlerindeki esnekliği yeniden tanımlıyor. Sağlam bir flanş halkasını döner flanşlı bir bileşenle birleştiren bu yenilikçi tasarım, boru hatlarının kontrollü eksenel hareketine olanak tanır ve yapısal bütünlükten ödün vermeden sıcaklığa bağlı kaymaları etkili bir şekilde emer. Yüksek hassasiyetli kaynaklı bağlantılar için Alın Kaynak Halkası Tipi (PJ/SE) ve basitleştirilmiş kurulum için Düz Kaynak Halkası Tipi (PJ/RJ) olmak üzere iki konfigürasyonda mevcuttur; sızdırmaz performansı korurken çeşitli operasyonel ihtiyaçları karşılar. Birinci sınıf karbon çeliği veya paslanmaz çelikten üretilen flanş, korozyona ve mekanik aşınmaya karşı direnç göstererek kimyasal işleme, su arıtma ve gıda üretimi gibi sık bakım veya ekipman yükseltmelerinin rutin olduğu endüstrilerde güvenilirlik sağlar.
| Çap | DN50(2")-DN2000(80") |
| Basınç | 0.6-2.5MPa |
| Sertifika | PED, AD2000, EAC, ABS, BV, DNV, NORSOK M650, ISO9001, ISO14001, ISO45001, vb. |
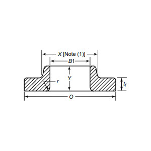
| Fonksiyon tanıtımı | Flanş halkası ve flanşlamayla birlikte boru hattının eksenel yer değiştirmesine olanak tanır ve termal genleşme gerilimini azaltır. Tipler: alın kaynak halkası (PJ/SE) ve düz kaynak halkası (PJ/RJ). Sık sık sökülmesi gereken düşük basınçlı boru hatları için uygundur. |
| Uygulama alanları | Karmaşık çalışma koşullarına uyarlanmış, uzun mesafeli petrol ve gaz boru hatları, açık deniz platformları, kimyasal ekipmanlar, su arıtma sistemleri ve gıda ve ilaç endüstrilerindeki boru flanşı bağlantılarına uygulanabilir. |
| Ambalaj | Denize uygun paket, Kontrplak Kutular veya palet veya müşterilerin ihtiyacına göre |
| Öne Çıkan Ürünler | 1、 Küçük parti minimum sipariş; |
Döner mekanizması montaj sırasında hizalamayı basitleştirir, hidrolik makineler, HVAC ağları veya modüler endüstriyel kurulumlar gibi sistemlerde işçilik maliyetlerini ve arıza sürelerini azaltır. Flanş hareketini boru hattı geriliminden izole ederek contaların ve cıvataların ömrünü uzatarak uzun vadeli değiştirme masraflarını azaltır. Termal kompanzasyon gerektiren açık deniz platformlarından, steril, temizlemesi kolay bağlantılara ihtiyaç duyan ilaç tesislerine kadar Bindirmeli Bağlantı Flanşı, gelişen operasyonel taleplere uyum sağlarken ASME ve EN standartlarına uygunluğu sağlar. Zorlu testler ve çok yönlü uyumlulukla desteklenen bu ürün, mühendislere dayanıklı, geleceğe hazır altyapı tasarlama gücü verir. Hassas mühendisliğin uyarlanabilir güçle buluştuğu, operasyonlarınızın dinamik ortamlarda başarılı olmasını sağlayan Bindirmeli Bağlantı Flanşlarımızla boru sistemlerinizi bugün yükseltin. Esnekliği seçin, dayanıklılığı seçin ve yeni bir verimlilik çağının kilidini açın.
Hammaddeden son teslimata kadar dayanıklılık, performans ve tutarlılığı sağlamak için her aşamada sıkı kontrol sağlıyoruz.
01
02
03
04
05
06
07
08
09
10
11
12
