Dişli Flanş, dişli boruların birleştirilmesi için güvenli, kaynaksız bir çözüm sunarak boru hattı bağlantısında devrim yaratıyor ve bu da onu güvenlik ve uyarlanabilirliğin tartışmasız olduğu ortamlar için en iyi seçim haline getiriyor. Hassas iç diş açmayla tasarlanan bu flanş, galvanizli çelik borularla veya yanıcı, patlayıcı veya son derece hassas endüstriyel ortamlar gibi kaynağın yasak olduğu sistemlerle sorunsuz bir şekilde bütünleşir. Yenilikçi tasarımı, kaynakla ilgili yangın tehlikelerini ortadan kaldırır, sıkı güvenlik protokollerine uygunluğu sağlarken yüksek basınç taleplerine dayanıklı, sağlam, sızdırmaz bir conta sunar. Dişli bağlantı, hızlı kurulum ve sökme işlemine olanak tanır, bakım ekiplerinin özel ekipman olmadan sistemlerde sorun giderme veya yükseltme yapmasına olanak tanır, kimyasal işleme, petrol ve gaz dağıtımı veya ilaç üretimi gibi kritik işlemlerde kesinti süresini azaltır.
| Boyut | DN15(1/2")-DN600(24") |
| Basınç Değeri | 0.6- 4.0MPa |
| Sıcaklık Aralığı | -45°C ila 260°C |
| Sertifika | PED,AD2000,EAC, ABS,BV, DNV,NORSOK M650, ISO9001,ISO14001,ISO45001, vb. |
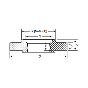
| Fonksiyon tanıtımı | Dişli flanş, dişli boruya dahili boru dişi yoluyla bağlanarak kaynak işlemini ortadan kaldırır. Galvanizli çelik borular veya kısıtlı kaynak ortamları (yanıcı/patlayıcı) için idealdir. Kolay kurulum ve esnek bakım özelliklerine sahiptir; özellikle alaşımlı çelik ve kaynaklanabilirliği zayıf olan diğer malzemeler için uygundur. |
| Uygulama alanları | Karmaşık çalışma koşullarına uyarlanmış, uzun mesafeli petrol ve gaz boru hatları, açık deniz platformları, kimyasal ekipmanlar, su arıtma sistemleri ve gıda ve ilaç endüstrilerindeki boru flanşı bağlantılarına uygulanabilir. |
| Ambalaj | Denize uygun paket, Kontrplak Kutular veya palet veya müşterilerin ihtiyacına göre |
| Öne Çıkan Ürünler | 1、Küçük parti minimum sipariş; |
Alaşımlı çelik gibi kaynak zorluklarına yatkın malzemeler için ideal olan Dişli Flanş, malzemenin bütünlüğünü koruyarak ısının neden olduğu kırılganlığı veya bozulmayı önler. Karbon çeliği veya paslanmaz çelik olarak sunulan korozyona dayanıklı yapısı, açık deniz sondaj platformlarından gıda sınıfı sanitasyon sistemlerine kadar zorlu ortamlarda bile uzun ömür sağlar. Küresel standartlara sıkı uyumlulukla desteklenen bu flanş, hidrolik sistemler, kriyojenik boru hatları ve yanıcı sıvı transferleri dahil olmak üzere yüksek riskli uygulamalarda güvenilirliği garanti eder. Güvenliği, verimliliği ve uygun maliyetli bakımı ön planda tutan endüstriler için Dişli Flanş, dönüştürücü bir çözümdür. Yeniliklerin tavizsiz güvenlikle buluştuğu, sistemlerinizin en zorlu koşullarda kusursuz bir şekilde çalışmasını sağlayan birinci sınıf Dişli Flanşlarımızla altyapınızı bugün yükseltin. Güveni seçin, dayanıklılığı seçin ve üretim hattınızın potansiyelini yeniden tanımlayın.
Hammaddeden son teslimata kadar dayanıklılık, performans ve tutarlılığı sağlamak için her aşamada sıkı kontrol sağlıyoruz.
01
02
03
04
05
06
07
08
09
10
11
12
